| Είδος: | WDM Mux Demox | Κανάλι: | 4 |
|---|---|---|---|
| Αλλο όνομα: | AWG CWDM MUX | Χρήση: | 100G/200G |
| Υψηλό φως: |
οπτικό mux demux, ίνα mux demux |
||
4CH AWG CWDM MUX 1271/1291/1311/133 QSFP+ CWDM4 100G/200G
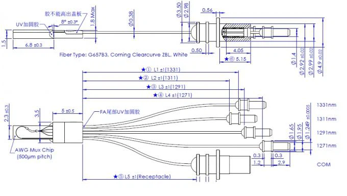
4CH Mux AWG, 1271/1291/1311/1331, Φ0.38mm λευκή Corning ClearCurve ίνα ZBL, Υποδοχή: L5±1mm, 1271: L4±1mm, 1291: L3±1mm, 1311,mm: L2± 1331: L1±1mm
Προδιαγραφές Απόδοσης
| Παράμετροι | Μονάδα | Προδιαγραφή | Σημειώσεις | ||
| Αριθμός καναλιών | Κεφ | 4 | 1. Συμμορφωθείτε με την απαίτηση RoHS. | ||
| Διάστιχο καναλιών | νμ | 20 nm | |||
|
Κεντρικό μήκος κύματος |
νμ |
1271/1291/ 1311/1331 |
|||
|
CWL Accuracy@25 μοίρες |
νμ | ± 1 | |||
|
εύρος ζώνης |
Εύρος ζώνης 1dB | Ελάχ | νμ | 10 | |
| Εύρος ζώνης 3dB | 14 | ||||
|
Απώλεια εισαγωγής |
Ζώνη πρόσβασης (ITU±2nm) | Μέγιστη | dB | 3.5 | |
|
Ομοιομορφία |
ILmax – ILmin (Όλα τα κανάλια) | Μέγιστη | dB | 1.0 | |
| Κυματισμός | Ζώνη πρόσβασης (ITU±5nm) | Μέγιστη | dB | 1.3 | |
|
Απώλεια εξαρτώμενης από πόλωση (ITU±1nm) |
Μέγιστη | dB | 1.0 | ||
|
Απώλεια που εξαρτάται από τη θερμοκρασία (0~80 βαθμοί) |
Μέγιστη | dB | 0.5 | ||
|
Θερμοκρασία λειτουργίας |
βαθμός | -5 έως 80 | |||
|
Θερμοκρασία αποθήκευσης |
βαθμός | -40 έως 85 | |||
Διάγραμμα διαστάσεων (Μονάδα: mm, X:±{{0}}.5, .X:±0.1, .XX:±0.05)

ΣΗΜΕΙΩΣΗ:
1. Το δοχείο και το φερμουάρ LC πρέπει να έχουν προστατευτικό καπάκι σκόνης.
2. Η ετικέτα SN κολλάει στο καπάκι του δοχείου.
3. Οι διαστάσεις με ★ είναι βασική διάσταση.
◆ Απαιτήσεις Endface
◆ Απαιτήσεις τελικής οπτικής επιθεώρησης (200x)
| Ζώνη | Διάμετρος | Γρατσουνιές (Ποσότητα, Πλάτος) | Αφαιρούμενες μολύνσεις | Άλλα ελαττώματα (ΠΟΣΟΤΗΤΑ, Διάμετρος) |
| A | 0~25μm | ΚΑΝΕΝΑΣ | ΝΑ | ΚΑΝΕΝΑΣ |
| B | 25~120μm |
μικρότερο ή ίσο με 3μm, NONE >3μm |
όποιος<2μm, 5 Μικρότερο ή ίσο με 2μm~5μm, NONE >5μm |
|
| C(ΕΠΟΞΥ) | 120~130μm | ΝΑ | ΝΑ | |
| D | 130~250μm | ΝΑ | NONE >10μm | |
| E | 250~400μm | ΝΑ | ΝΑ |
◆ Απαιτήσεις 3D Geometry Endface
| Ακτίνα Καμπυλότητας | Apex μετατόπιση | Ύψος ινών |
| 7 Μικρότερο ή ίσο του R Μικρότερο ή ίσο με 25 mm | 0~50μm | {{0}}}~0nm |
Δημοφιλείς Ετικέτες: 4 κανάλια wdm mux demux, Κίνα 4 κανάλια wdm mux demux κατασκευαστές, εργοστάσιο


